Проблем с климатика
- jordan_1
- потребител

- Мнения: 11
- Регистриран: 20 юли 2005, 20:08
- Модел на автомобила: FORD Fokus 1,6i 16V-2004г.
- Местоположение: Samokov
- Контакти:
- Status: Извън линия
Проблем с климатика
Колеги, имам следния проблем.
Не мога да открия релето което вклучва муфата на компресора на климатика.
Прерових и прочетох всичко по темата във форума, но това реле го няма никъде в колата.
Става въпрос за ескорт 1.6i16V комби - 94 г.
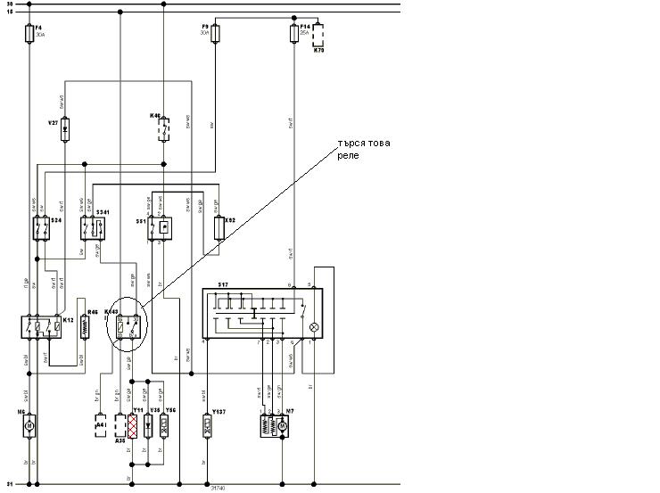
Ето и схемата с релето побликувана от колеги
http://www.clubford.org/forum/download/ ... &mode=view" onclick="window.open(this.href);return false;" onclick="window.open(this.href);return false;
НО каде ли е в колата това реле?
Не мога да открия релето което вклучва муфата на компресора на климатика.
Прерових и прочетох всичко по темата във форума, но това реле го няма никъде в колата.
Става въпрос за ескорт 1.6i16V комби - 94 г.
Ето и схемата с релето побликувана от колеги
http://www.clubford.org/forum/download/ ... &mode=view" onclick="window.open(this.href);return false;" onclick="window.open(this.href);return false;
НО каде ли е в колата това реле?
Кой е на линия
Потребители, разглеждащи този форум: Няма регистрирани потребители и 26 госта
