Hастройка на съединител на ескорт, мкVII
-
dreidrei
- потребител

- Мнения: 432
- Регистриран: 26 юли 2006, 15:11
- Модел на автомобила: притежавал Ескорт 1.8TD ENDURA-DE, 66kW, '98г, хечбек, Ghia
- Местоположение: София
- Status: Извън линия
Hастройка на съединител на ескорт, мкVII
Имам нужда от помощ!
Миналата седмица ми ремонтираха съединителя (...) и сега имам проблем с него (майстора така и не разбра как трябва да го сглоби) - стои някак си "изкуствено" над спирачката и нищо не го спира да ходи още по-нагоре.
Моят е с шестограм, имаше и тресчотка, сменяха я щото се беше счупила. От комплекта на новата тресчотка обаче останаха неизползвани части... (някакво краче с 3,4 зъбчета)
Има ли някой, който да знае как точно се сглбява тоя педал?!
Помощ, моля!
Миналата седмица ми ремонтираха съединителя (...) и сега имам проблем с него (майстора така и не разбра как трябва да го сглоби) - стои някак си "изкуствено" над спирачката и нищо не го спира да ходи още по-нагоре.
Моят е с шестограм, имаше и тресчотка, сменяха я щото се беше счупила. От комплекта на новата тресчотка обаче останаха неизползвани части... (някакво краче с 3,4 зъбчета)
Има ли някой, който да знае как точно се сглбява тоя педал?!
Помощ, моля!
Последна промяна от dreidrei на 13 дек 2006, 16:08, променено общо 1 път.
-
Jinxy
- потребител

- Мнения: 330
- Регистриран: 29 юни 2005, 16:01
- Модел на автомобила: Ford FOCUS 1.8 TDCi 115ps
- Местоположение: Botevgrad
- Status: Извън линия
когато има шестограм часта с " 3-4 зъбчета" не се използва. Нормално е да хартиса. Съединителя е саморегулиращ се, а от шестограмния болт се регулира точно височината на педала спрямо този на спирачката. Когато го навиваш педала излиза напред и става все по-висик. При отвиване на болта педала пропада надолу. Можеш да си го регулираш сам по този начин - не е нищо сложно. Само като ги изравниш пробваи внимателно дали ти се включват лесно и без хъркане скоростите...... има опасност да не му достига ход на педала когато се изравни със спирачката - при мен е точно така и в такъв случаи навиваш малко болта докато започне нормално включване и свикваш с мисълта, че единя педал е малкоп по - висок..... до месец ще спре да ти прави впечатление - личен опит

- HACKO
- Модератор

- Мнения: 13120
- Регистриран: 24 май 2006, 21:22
- Модел на автомобила: FORD FOCUS 04г/1.6/ X 4696 KK
SUBARU LEGACY 10г/2.0/ СВ 6292 ВК - Местоположение: ХАСКОВО
- Status: Извън линия
И как ще се саморетулира без да има какво да законтри зъбния гребен в нужното положение, сигурен съм че ти е наредил и няколко гайки и шайби до вилката за да обтегне жилото. Веми каквото е артисало и отиди при някой който разбира и е дотатъчно съвестен (монтажа е много труден) да ти го направи както трябва за да си имаш правилно работещ съединител. Шестограма само регулира нивото на педала, но не съединитела.
-
dreidrei
- потребител

- Мнения: 432
- Регистриран: 26 юли 2006, 15:11
- Модел на автомобила: притежавал Ескорт 1.8TD ENDURA-DE, 66kW, '98г, хечбек, Ghia
- Местоположение: София
- Status: Извън линия
HACKO, точно това и аз се чудя...,
Както и кой е тоя, който разбира. Някой знае ли майстор, който да познава точно тоя съединител - с тресчотка и шестограм? ...
Иначе - тоя моят "майстор" каза, че и преди я е нямало тая част с "3-4 зъбчета", та... или и преди е бил грешно сглобен (от Франция дойде така) или наистина я няма тая част (обаче наистина, как се саморегулира тогава?!) Много въпроси, а?
Както и кой е тоя, който разбира. Някой знае ли майстор, който да познава точно тоя съединител - с тресчотка и шестограм? ...
Иначе - тоя моят "майстор" каза, че и преди я е нямало тая част с "3-4 зъбчета", та... или и преди е бил грешно сглобен (от Франция дойде така) или наистина я няма тая част (обаче наистина, как се саморегулира тогава?!) Много въпроси, а?
- Brock
- потребител

- Мнения: 2226
- Регистриран: 15 фев 2005, 11:49
- Модел на автомобила: Mondeo 1.6 16V - 94г. - комби АГУ
- Местоположение: София, Гео Милев
- Контакти:
- Status: Извън линия
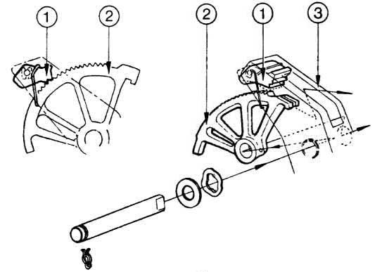
Друго нямам, но това което разбирам от картинката е:
№1 е хванато в педала №3 също като пружинката, която натиска №1 към тресчотката №2
В лявата част - картинката е на вече зацепена тресчотка, а в дясната на НЕзацепена.
Според мете тази схема ти е достатъчна за да оправиш педала. Като го погледнеш на живо ще ти стане по-ясно
Прегледай и темата в Основни възли и детайли
Тресчотка на педала на съединителя

№1 е хванато в педала №3 също като пружинката, която натиска №1 към тресчотката №2
Според мете тази схема ти е достатъчна за да оправиш педала. Като го погледнеш на живо ще ти стане по-ясно
Прегледай и темата в Основни възли и детайли
-
Jinxy
- потребител

- Мнения: 330
- Регистриран: 29 юни 2005, 16:01
- Модел на автомобила: Ford FOCUS 1.8 TDCi 115ps
- Местоположение: Botevgrad
- Status: Извън линия
А след огледа ще остановиш, че твоят педал е много малко по-различен от този на картинките и изобщо няма къде да се закачи малката част от тресчотката..... Жилото просто се закача за горната част на педала и от тежестта му се опъва до началото на работното му положение. С болта ИМА ГО САМО ПРИ мк VII се регулира височината на педала. Картинката се отнася за предишните версий на Ескорт. Не случайно едно от предимствата на последните Ескорти е премахването на тресчотката.. Аз лично смених голямата част от тресчотката преди около месец и съм сигурен в написаното. Просто на нашия педал няма място за малката част от тази тресчотка - не е и нужна, но пък има болт за регулиране на височината.
-
dreidrei
- потребител

- Мнения: 432
- Регистриран: 26 юли 2006, 15:11
- Модел на автомобила: притежавал Ескорт 1.8TD ENDURA-DE, 66kW, '98г, хечбек, Ghia
- Местоположение: София
- Status: Извън линия
Jinxy е съвсем прав за устройството и начина на работа на съединителя на мкVII...
Кофти работа, изравних съединителят със спирачката, ама сега не му достига ход (та пак го върнах да си стърчи горе)... Има ли начин да го излъжа? Един вид да му добава още сила (освен собствената му тежест...) или де да знам какво... Или просто да свиквам...
Кофти работа, изравних съединителят със спирачката, ама сега не му достига ход (та пак го върнах да си стърчи горе)... Има ли начин да го излъжа? Един вид да му добава още сила (освен собствената му тежест...) или де да знам какво... Или просто да свиквам...
-
dreidrei
- потребител

- Мнения: 432
- Регистриран: 26 юли 2006, 15:11
- Модел на автомобила: притежавал Ескорт 1.8TD ENDURA-DE, 66kW, '98г, хечбек, Ghia
- Местоположение: София
- Status: Извън линия
Щом ти е много твърд съединителят предполагам е за смяна. Аз така преди седмица-две "изгорях"... Педалът беше много твърд, ама на мен не ми пречише. Докато в един прекрасен ден не се счупи (таман излизах от едно кръстовище) - тресчотка, вилки, дискове, де да знам какво още. А феродо - грам не било останало. Та, може би по-добре го смени, преди да си направил някоя беля.
Иначе, ето на една чужда картинка със синьо съм надраскал къде е тоя шестограм. Вдигни педала и навий докато достигнеш нужната височина. После виж как се държи съединителят и прецени...
Иначе, ето на една чужда картинка със синьо съм надраскал къде е тоя шестограм. Вдигни педала и навий докато достигнеш нужната височина. После виж как се държи съединителят и прецени...
-
dreidrei
- потребител

- Мнения: 432
- Регистриран: 26 юли 2006, 15:11
- Модел на автомобила: притежавал Ескорт 1.8TD ENDURA-DE, 66kW, '98г, хечбек, Ghia
- Местоположение: София
- Status: Извън линия
Ти що мислиш, че в жилото ти е проблемът (не че оспорвам, просто питам)?
За него нищо не мога да кажа - то и самия педал бяха единствените неща при мен, който не бяха сменени. Сега педалът е достатъчно мек (само дето е много високо...)
Преди (когато педалът беше много твърд) всичко си изглеждаше наред, след като го натисна (да знаеш какви мусколи съм развил на левия крак за 3 месеца...
) скоростите си влизаха като топъл нож в масло...
За него нищо не мога да кажа - то и самия педал бяха единствените неща при мен, който не бяха сменени. Сега педалът е достатъчно мек (само дето е много високо...)
Преди (когато педалът беше много твърд) всичко си изглеждаше наред, след като го натисна (да знаеш какви мусколи съм развил на левия крак за 3 месеца...
Кой е на линия
Потребители, разглеждащи този форум: Няма регистрирани потребители и 52 госта
